|
|
 |
 |
|
Im nebenstehenden Bild sieht man die Originalausführung der Auspuffblende
|
 |
 |
|
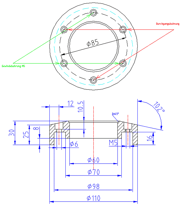
Ich habe mich für Nietmuttern der Größe M5 entschieden. Die Originalbohrung der Nieten wurde auf 7,1 mm aufgebohrt und die Nietmuttern gesetz. Dadurch braucht man keine zusätzlichen Bohrungen einzubringen. Die verbliebenen offenen Bohrungen der Zierblende auf 12 ; 4 und 8 Uhr nehmen nun die Verbindungsschrauben zur Befestigung auf. Die Co-Einstellung sollte kontrolliert werden um einen zu mager laufenden Motor aus zu schließen.
|
|